您当前的位置:网站首页 > 业务介绍 > 环境治理
环境治理

有机挥发物(VOCs)治理技术

作者:中科科林发布日期:2018-07-05

1、核心技术

中科科林拥有自己的VOCs治理技术,主要有油气回收技术、特殊VOCs吸附技术、UA纳米光解催化法、焦油异味清除技术,并对于VOCs无组织排放专项治理和中前端根源有成功的解决方案,为客户在环保达标的基础上降低成本,并为客户带来了一定的回收物经济效益,杜绝二次污染。
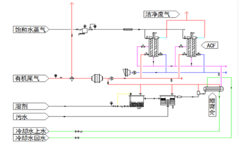
⑴活性碳纤维有机尾气回收(ACF)

本设备及工艺可吸附回收沸点在130℃以内的VOCs。如:苯、甲苯、二甲苯、三氯乙烯、氯仿、氯苯、三氯乙烷、甲醇、丁酮等、乙酸丁酯、等。活性炭纤维吸附回收装置适用于石油化工、医药化工、农药化工、涂布行业、涂装行业、包装印刷行业、制革行业、超细纤维(人造革)、超高分子量聚乙烯纤维(PE纤维)等行业废气的净化,吸附回收废气中的有机物质,重复利用,减少有机挥发物污染,节能减排。 


炭纤维吸附

⑵活性碳颗粒有机尾气吸附回收(GAC)

本设备及工艺适合沸点在200℃以内和溶于水的VOCs,如:苯、甲苯、二甲苯、三氯乙烯、氯仿、氯苯、三氯乙烷、甲醇、丁酮等、乙酸丁酯、等。


炭颗粒吸附

⑶(氮气脱附)活性碳颗粒有机尾气吸附回收(GAC)

本设备工艺采用颗粒活性炭颗粒(GAC)作为吸附材料,高效吸附回收尾气中的有机溶剂。充分利用颗粒活性炭(GAC)孔径丰富,吸附效率高的特点,满足对不同大小分子溶剂的吸附,利用热氮气将活性炭加热至VOC沸点温度,再利用风机出脱出来。回收设备适合沸点在200℃以内和溶于水的VOCs,如苯乙烯、丙酮、乙酸乙酯等。


氮气吸附

⑷纳米光触媒有机尾气销毁(APDF)-UA纳米光解催化法

本销毁工艺设备可吸附回收沸点在250℃以内的VOCs。如:苯、甲苯、二甲苯、三氯乙烯、氯仿、氯苯、三氯乙烷、甲醇、丁酮等、乙酸丁酯、丙酮、苯乙烯、聚乙烯等。


吸附回收

⑸蓄热式热力焚化(RTO)-燃烧法

有机废气加热700℃到以上,废气中的VOCs氧化分解成二氧化碳和水。氧化产生的高温气体流经特制的陶瓷蓄热体,使陶瓷体升温而“蓄热”,此“蓄热”用于预热后续进入的有机废气。从而达到废气升温时减少燃料消耗的技术。

2、技术优势

VOCs大致有300多种,非常难于控制,尤其无组织排放等问题,中科科林自主创新了一系列工艺法用来治理不同的有机挥发物(VOCs)。并且根据业主需要不断改进技术工艺,达到环保局要求的排放标准,利用先进技术和工艺为客户节省了投资成本和运行成本,服务于石化行业、印刷行业、制造行业等广大优质客户。

热门推荐  |Hot Recommend
联系我们
  • 010-65701116
  • 010-65701116-6618
  • market@zkkl.cn
  • 北京市顺义区空港融慧园31-2栋