首页
公司概况
企业简介
企业文化
组织架构
企业荣誉
企业资质
专家顾问
新闻中心
新闻资讯
企业内刊
业务介绍
业务模式
环境治理
工业节能
新能源
防腐保温
节能产品
技术研发
设计院
技术专利
技术开发
合作开发
工程业绩
节能环保
新能源
防腐保温
检修运维
合作加盟
人力资源
人才理念
招聘信息
薪资福利
教育培训
技术论坛
技术论坛
技术介绍
联系我们
联系我们
在线反馈
您当前的位置:
网站首页
>
业务介绍
>
环境治理
环境治理
石灰石-石膏法脱硫
作者:中科科林
发布日期:2018-07-06
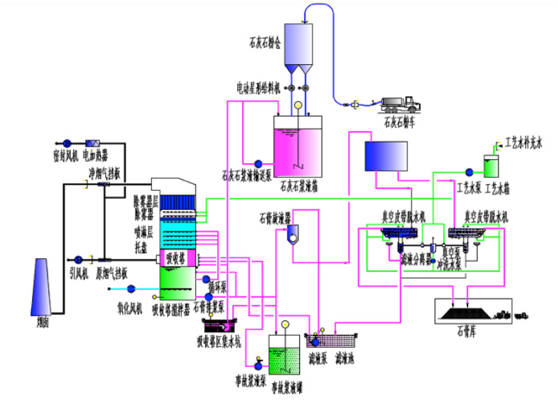
⑴ 石灰石-石膏法脱硫
石灰石-石膏法脱硫技术是采用石灰石或石灰的浆液吸收烟气中的,属于湿法洗涤法,该方法的产物是石膏。石灰石石膏脱硫工艺成熟、性能可靠,脱硫效率达到以上。反应方程如下:
工艺流程:
相关业务
• 火电厂深度优化用水
• 火电厂废水零排放
• 低氮燃烧脱硝技术
• 氧化镁法脱硫
• 氨法脱硫
• 石灰石-石膏法脱硫
• SNCR+SCR联合脱硝技术
• SNCR脱硝技术
• 烟气脱硫脱硝一体化技术
• 有机挥发物(VOCs)治理技术
热门推荐 |
Hot Recommend
联系我们
010-65701116
010-65701116-6618
market@zkkl.cn
北京市顺义区空港融慧园31-2栋
=办公平台=
办公OA
公司邮箱
项目报备平台
供应商管理平台